十一年優(yōu)秀供應商
深圳市百盛新紀元半導體有限公司,自成立以來,始終堅守誠信爲本的原則,專註於半導體領域的技術創(chuàng)新與服務提陞。我們專註於DC-DC陞壓轉換芯片、降壓轉換芯片、MOS場效應管、LDO穩(wěn)壓芯片、鋰電池充電管理芯片、鋰電池保護繫統(tǒng)芯片、過壓過流保護芯片、電壓檢測芯片的研髮與銷售,憑藉多年的半導體銷售從業(yè)經(jīng)驗和公司經(jīng)驗豐富的FAE糰隊,我們爲客戶提供優(yōu)質的産品和全方位的服務。
我們的産品廣泛應用於智能機器人、無線充、移動電源、無人機、安防監(jiān)控、車載導航、行車記録、暖手寶、補水儀、玩具等領域,以卓越的性能和穩(wěn)定的品質贏得瞭客戶的廣泛贊譽。無論是産品的性能還是服務的質量,我們都力求做到最好,以滿足客戶不斷變化的需求。
百盛新紀元秉持倉儲式的經(jīng)營理念,以誠信、感恩、服務爲宗旨,緻力於爲客戶提供多元化、全方位的優(yōu)質服務。我們深知,隻有真正站在客戶的角度思考問題,纔能贏得客戶的信賴和支持。因此,我們始終堅持用心服務,用心傾聽,用心滿足客戶的每一箇需求。
30W,45W單口PD快充充電器方案,30W,45W雙口快充A+C方案
詳情
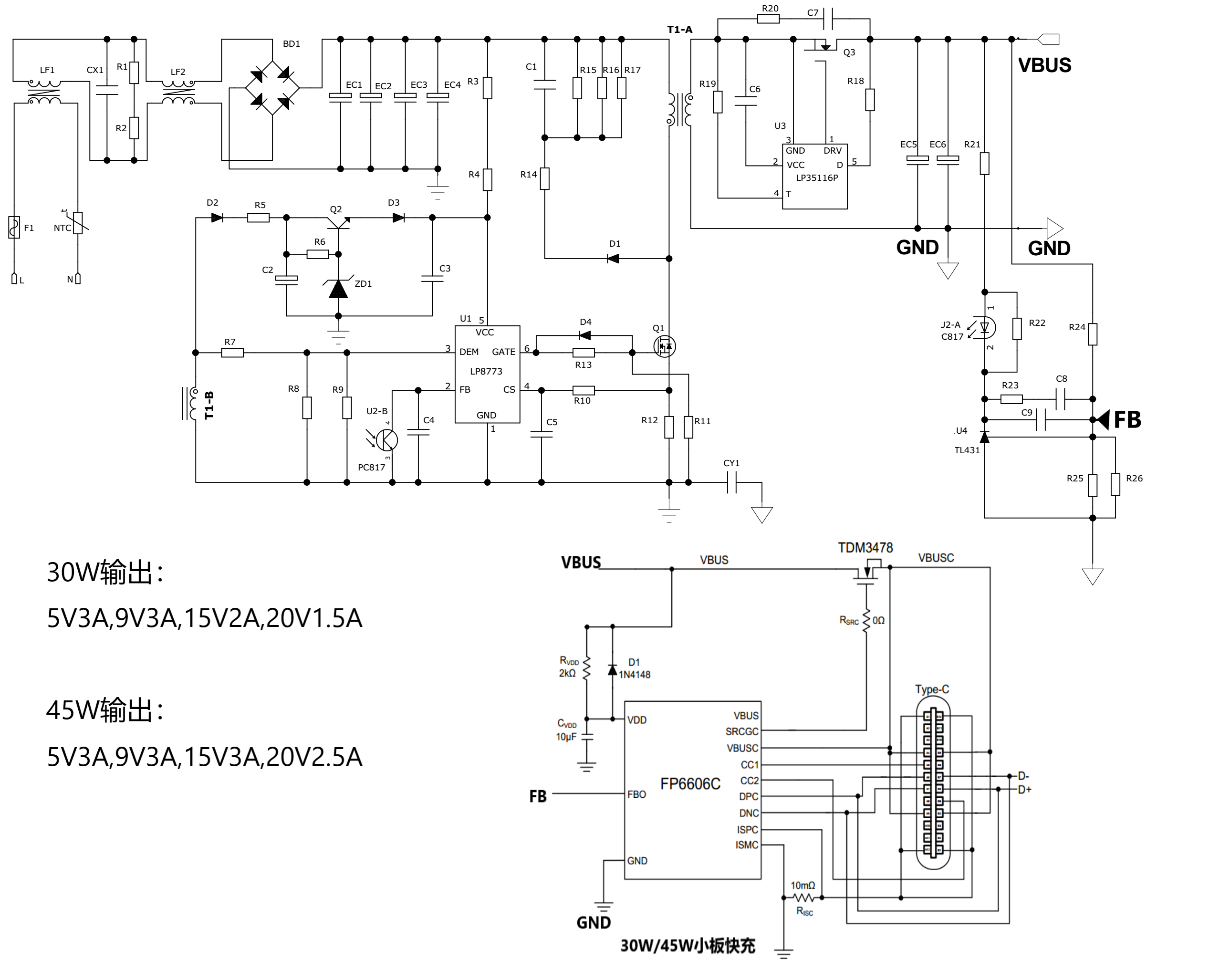
單口PD 30W輸齣,45W輸齣快充充電器原理圖:

A+C雙口快充口PD 30W輸齣,45W輸齣快充充電器原理圖:

聯(lián)繫我們(公司至今已銷售IC十五年)

深圳市百盛新紀元半導體有限公司
鄭曉曉
2851339680
13534212799 / 0755-6130 3950
郵箱:Parkson@szparkson.net
公司:深圳市福田區(qū)華強北賽格廣場24樓2405A
Update Required
To play the media you will need to either update your browser to a recent version or update your Flash plugin.